We manufacture all types of bolts, nuts and washers
DIN 933 / ISO 4017
Steel Hardness: 4.6, 8.8, 10.9
Finish: Self, Black, Bright Zinc, Hot Dip Galvanized
| Dimensions | ||||||||||||
|---|---|---|---|---|---|---|---|---|---|---|---|---|
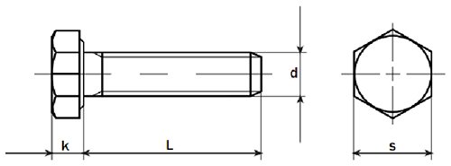
| Nom. Dia. (d) | M 6 | M 8 | M 10 | M 12 | (M 14) | M 16 | (M 18) | M 20 | ||||
| Thread Pitch | 1.0 | 1.3 | 1.5 | 1.8 | 2.0 | 2.0 | 2.5 | 2.5 | ||||
| Thread Length (b) | L < 125mm | 18 | 22 | 26 | 30 | 34 | 38 | 42 | 46 | |||
| 125-200mm | 24 | 28 | 32 | 36 | 40 | 44 | 48 | 52 | ||||
| L > 200mm | - | - | 45 | 49 | 53 | 57 | 61 | 65 | ||||
| Washer Face | Min. | 0.15 | 0.15 | 0.15 | 0.15 | 0.15 | 0.20 | 0.20 | 0.20 | |||
| Max. | 0.50 | 0.60 | 0.60 | 0.60 | 0.60 | 0.80 | 0.80 | 0.80 | ||||
| K | Nominal | 4.00 | 5.30 | 6.40 | 7.50 | 8.80 | 10.00 | 11.50 | 12.50 | |||
| Min. | 3.85 | 5.15 | 6.22 | 7.32 | 8.62 | 9.82 | 11.28 | 12.28 | ||||
| Max. | 4.15 | 5.45 | 6.58 | 7.68 | 8.98 | 10.18 | 11.72 | 12.72 | ||||
| s | Max. | 10 | 13 | 17 | 19 | 22 | 24 | 27 | 30 | |||
| Min. | 9.78 | 12.73 | 16.73 | 18.67 | 21.67 | 23.67 | 26.67 | 29.67 | ||||
| L | WEIGHT IN KG/1000 PCS | |||||||||||
| 30 | 8.06 | |||||||||||
| 35 | 9.13 | 18.20 | ||||||||||
| 40 | 10.20 | 20.30 | 35.00 | |||||||||
| 45 | 11.30 | 22.20 | 38.00 | 53.60 | ||||||||
| 50 | 12.30 | 24.20 | 41.10 | 58.10 | 82.00 | |||||||
| 55 | 13.40 | 25.80 | 43.80 | 62.60 | 88.10 | 115.00 | ||||||
| 60 | 14.40 | 27.80 | 46.90 | 67.00 | 94.10 | 123.00 | ||||||
| 65 | 29.80 | 50.00 | 70.30 | 98.80 | 131.00 | 171.00 | 219.00 | |||||
| 70 | 31.80 | 53.10 | 74.70 | 105.00 | 139.00 | 181.00 | 231.00 | |||||
| 75 | 33.70 | 56.20 | 79.10 | 111.00 | 147.00 | 191.00 | 243.00 | |||||
| 80 | 35.70 | 59.30 | 83.60 | 117.00 | 155.00 | 200.00 | 255.00 | |||||
| 85 | 62.40 | 88.10 | 123.00 | 163.00 | 210.00 | 267.00 | ||||||
| 90 | 65.50 | 92.40 | 127.00 | 171.00 | 220.00 | 279.00 | ||||||
| 95 | 68.60 | 96.80 | 133.00 | 179.00 | 230.00 | 291.00 | ||||||
| 100 | 71.70 | 101.00 | 139.00 | 186.00 | 240.00 | 303.00 | ||||||
| 110 | 109.00 | 151.00 | 202.00 | 260.00 | 327.00 | |||||||
| 120 | 118.00 | 164.00 | 218.00 | 280.00 | 351.00 | |||||||
| 130 | 174.00 | 230.00 | 296.00 | 374.00 | ||||||||
| 140 | 185.00 | 246.00 | 316.00 | 398.00 | ||||||||
| 150 | 262.00 | 336.00 | 422.00 | |||||||||
| 160 | 278.00 | 356.00 | 446.00 | |||||||||
| 170 | 376.00 | 470.00 | ||||||||||
| 180 | 396.00 | 494.00 | ||||||||||
| 190 | 519.00 | |||||||||||
| 200 | 544.00 | |||||||||||
| Name. Dia. (d) | (M 22) | M 24 | (M 27) | M 30 | (33 M) | M 36 | (39 M) | M 42 | |
| Thread Pitch | 2.5 | 3.0 | 3.0 | 3.5 | 3.5 | 4.0 | 4.0 | 4.5 | |
| Thread Length (b) | L < 125mm | 50 | 54 | 60 | 66 | 72 | 78 | 84 | 90 |
| 125-200mm | 56 | 60 | 66 | 72 | 78 | 84 | 90 | 96 | |
| L > 200mm | 69 | 73 | 79 | 85 | 91 | 97 | 103 | 109 | |
| Washer Face | Min. | 0.20 | 0.20 | 0.20 | 0.20 | 0.20 | 0.20 | 0.30 | 0.30 |
| Max. | 0.80 | 0.80 | 0.80 | 0.80 | 0.80 | 0.80 | 1.00 | 1.00 | |
| K | Nominal | 14.0 | 15.0 | 17.0 | 18.7 | 21.0 | 22.5 | 25.0 | 26.0 |
| Min. | 13.78 | 14.78 | 16.65 | 18.28 | 20.58 | 22.08 | 24.58 | 25.58 | |
| Max. | 14.22 | 15.22 | 17.35 | 19.12 | 21.42 | 22.92 | 25.42 | 26.42 | |
| s | Max. | 32 | 36 | 41 | 46 | 50 | 55 | 56 | 60 |
| Min. | 31.61 | 35.38 | 40 | 45 | 49 | 53.8 | 58.8 | 63.8 | |
| L | WEIGHT IN KG/1000 PCS | ||||||||
| 70 | 281.00 | ||||||||
| 75 | 296.00 | ||||||||
| 80 | 311.00 | 392.00 | |||||||
| 85 | 326.00 | 410.00 | |||||||
| 90 | 341.00 | 428.00 | 557.00 | 712.00 | |||||
| 95 | 356.00 | 446.00 | 580.00 | 739.00 | |||||
| 100 | 370.00 | 464.00 | 603.00 | 767.00 | 951.0 | ||||
| 110 | 400.00 | 500.00 | 650.00 | 823.00 | 1020.0 | 1240.0 | |||
| 120 | 430.00 | 535.00 | 695.00 | 880.00 | 1090.0 | 1320.0 | 1510.0 | ||
| 130 | 450.00 | 560.00 | 720.00 | 920.00 | 1150.0 | 1390.0 | 1580.0 | 1980.0 | |
| 140 | 480.00 | 595.00 | 765.00 | 975.00 | 1220.0 | 1470.0 | 1660.0 | 2090.0 | |
| 150 | 510.00 | 630.00 | 810.00 | 1030.0 | 1290.0 | 1550.0 | 1740.0 | 2200.0 | |
| 160 | 540.00 | 665.00 | 855.00 | 1085.0 | 1350.0 | 1630.0 | 1830.0 | 2310.0 | |
| 170 | 570.00 | 700.00 | 900.00 | 1140.0 | 1410.0 | 1710.0 | 1920.0 | 2410.0 | |
| 180 | 600.00 | 735.00 | 945.00 | 1200.0 | 1480.0 | 1790.0 | 2010.0 | 2520.0 | |
| 190 | 630.00 | 770.00 | 990.00 | 1250.0 | 1540.0 | 1870.0 | 2100.0 | 2630.0 | |
| 200 | 660.00 | 805.00 | 1030.00 | 1310.0 | 1610.0 | 1950.0 | 2200.0 | 2740.0 | |
| 220 | 720.00 | 870.00 | 1130.00 | 1420.0 | 1750.0 | 2210.0 | 2410.0 | 2960.0 | |
| 240 | 935.00 | 1220.00 | 1530.0 | 1880.0 | 2270.0 | 2600.0 | 3180.0 | ||
| 260 | 1310.00 | 1640.0 | 2020.0 | 2430.0 | 2800.0 | 3400.0 | |||
| 280 | 1750.0 | 2150.0 | 2590.0 | 3010.0 | 3520.0 | ||||
| 300 | 1860.0 | 2290.0 | 2750.0 | 3210.0 | 3640.0 | ||||